Blue Equal Tees / EF / SP
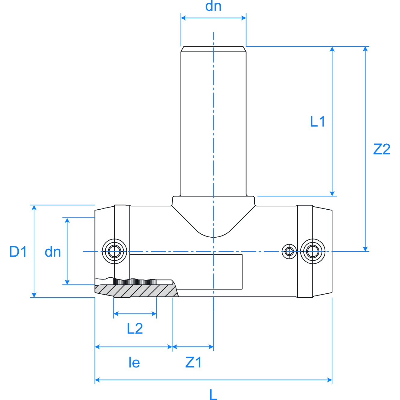
Blue Electrofusion Equal Tee - Spigot Offtake / TA / PN16 / SDR11
Friatec's PE100 RC Injection moulded electrofusion Tees are suitable for fusing pipes from SDR11 to SDR17.6 Electrofusion sockets feature the same performance benefits found in blue couplers, along with built-in reinforcement, so no de-ration is required.
This is an injection moulded tee piece, with electrofusion sockets on the main way and an extra-long spigot offtake, for connection using a blue MB coupler.
NOTE: The pipe ends and sockets must be prepared in accordance with the general installation instructions using a spigot mechanical peeler, 90% Isopropyl alcohol wipes and we recommend using the Friamat fusion control unit to achieve correct preheating and logging the full range of weld data available.
Frialen Blue Electrofusion Tees are made in Germany.
|
Product Code |
dn |
D1 |
L |
L1 |
L2 |
le |
Z1 |
Z2 |
Availability in Hong Kong |
|
P3326.120.032 |
32 |
44 |
116 |
39 |
22 |
80 |
19 |
109.0 |
Ex-Stock |
|
P3326.120.050 |
50 |
67 |
175 |
49 |
29 |
110 |
38 |
152.5 |
Ex-Stock |
|
P3326.120.063 |
63 |
81 |
197 |
56 |
33 |
115 |
42 |
162.5 |
Ex-Stock |
Blue Electrofusion Equal Tee / T / PN16 / SDR11
Friatec's PE100 RC Injection moulded electrofusion Tees are suitable for fusing pipes from SDR11 to SDR17.6 Electrofusion sockets feature all the same performance benefits found in blue couplers along with built-in reinforcement, so no de-ration is required.
NOTE: The pipe ends and sockets must be prepared in accordance with the general installation instructions using a spigot mechanical peeler, 90% Isopropyl alcohol wipes and we recommend using the Friamat fusion control unit to achieve correct preheating and logging the full range of weld data available.
Frialen Blue Electrofusion Tees are made in Germany.
| For sizes, DN/OD 250 & 315, use a blue moulded equal spigot Tee below and blue couplers. | ||||||||
|
Product Code |
dn |
D1 |
L |
L1 |
L2 |
Z1 |
Z2 |
Availability in Hong Kong |
|
P3326.122.090 |
90 |
117 |
305 |
79 |
44 |
73.5 |
73.5 |
Ex-Stock |
|
P3326.122.125 |
125 |
160 |
384 |
87 |
44 |
105.0 |
105.0 |
Ex-Stock |
|
P3326.122.180 |
180 |
228 |
480 |
103 |
62 |
137.0 |
137.0 |
Ex-Stock |
Blue Spigot Equal Tee / PN16 / SDR11
Mill-Pro PE100 RC Injection moulded spigot Tees are manufactured using Mill-Pro's own tooling under our continuous inspection. They feature long spigots for electrofusion or butt fusion joining and built-in reinforcement that exceeds the type testing requirements of BS EN 12201-2 and ISO 4427-3. Mill-Pro fittings feature hard moulded brand, batch numbers for compliance checking and 1D and 2D bar code stickers for complete product traceability. All elbows are sealed in individual plastic bags for protection on site. Spigot fittings are joined by Electrofusion Couplers or Butt Fusion.
NOTE: The pipe and spigot ends must be prepared in accordance with the general installation instructions using a spigot mechanical peeler, 90% Isopropyl alcohol wipes.
| For sizes > DN/OD 315, use a black fabricated equal tee. | |||||||
|
Product Code |
dn1 |
dn2 |
le1 |
le2 |
Z1 |
Z2 |
Availability in Hong Kong |
|
P5826.122.250 |
250 |
250 |
135 |
135 |
610 |
305 |
Ex-Stock |
|
P5826.122.315 |
315 |
315 |
155 |
155 |
738 |
369 |
Ex-Stock |
