Black Flange Adaptors
Flange Adaptor / Spigot / PN16 / SDR11
Standard PE100 flange adaptor complying to ISO 9624 SDR 11. Injection moulded in PE100 RC black compound, with an extra-long spigot to allow fastener removal once fused in place. The loose backing flanges, fasteners and gaskets are not included with this flange adaptor.
| PE standard flange adaptors in sizes ≥ dn250 create a large internal step on each side of the joint (See the Fig. below) when they are bolted to matching flange patterns of DI valves and fittings. For sizes, ≥ dn250 a full face flange assembly is required to directly bolt a DI valve or fitting to PE flange adaptor and match the internal nominal bore (not creating a large internal step). All standard PE flange adaptors of any size are suitable for PE to PE pipe joints without creating an internal step. | |||||||||
| WSD PS require full face flange assemblies to be used on sizes > DN150. | |||||||||
| AoR dimensions are available on request, please contact us. | |||||||||
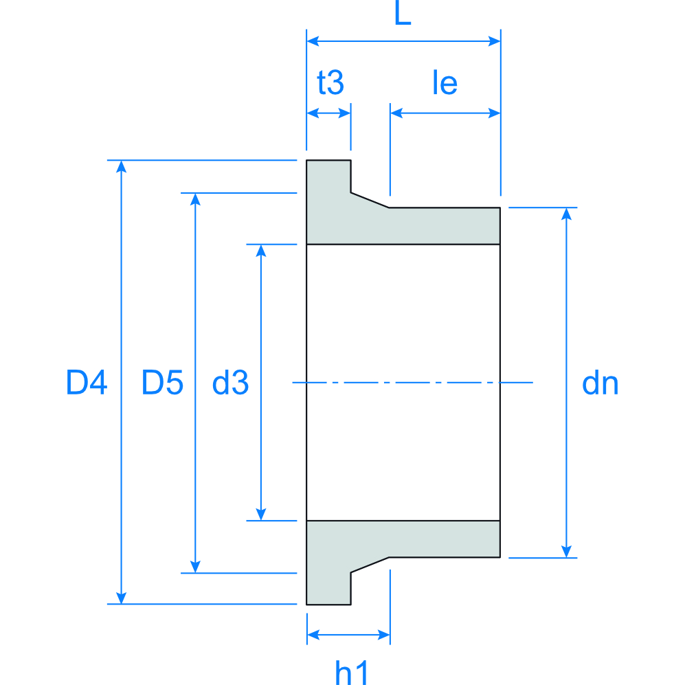
| Product Code | dn | D5 | D4 | d3 | le | t3 | L | h1 | Availability in Hong Kong |
| P5316.135.355 | 355 | 371 | AoR | 287 | AoR | AoR | 260 | 65 | 6-8 Weeks |
| P5316.135.450 | 450 | 465 | AoR | 364 | AoR | AoR | 375 | 75 | 6-8 Weeks |
| P5316.135.500 | 500 | 528 | AoR | 405 | AoR | AoR | 430 | 80 | 6-8 Weeks |
| P5316.135.560 | 560 | 613 | AoR | 453 | AoR | AoR | 435 | 85 | 6-8 Weeks |
| P5316.135.630 | 630 | 640 | AoR | 510 | AoR | AoR | 445 | 95 | 6-8 Weeks |
| P5316.135.710 | 710 | 735 | AoR | 574 | AoR | AoR | 460 | 110 | 6-8 Weeks |
| P5316.135.800 | 800 | 838 | AoR | 647 | AoR | AoR | 470 | 120 | 6-8 Weeks |
Flange Adaptor / Spigot / PN20 / SDR9
Standard PE100 flange adaptor complying to ISO 9624 SDR 9. Injection moulded in PE100 RC black compound, with an extra-long spigot to allow fastener removal once fused in place. The flanges, fasteners and gaskets are not included with this flange adaptor.
| See note above regarding internal steps in sizes ≥ dn250. | |||||||||
| WSD PS require full face flange assemblies to be used on sizes > DN150. | |||||||||
| Sizes dn90 - dn180 fully comply with WSD PS22. | |||||||||
| AoR dimensions are available on request, please contact us. | |||||||||
| Product Code | dn | D5 | D4 | d3 | le | t3 | L | h1 | Availability in Hong Kong |
| P5317.135.090 | 90 | 103 | AoR | 69 | AoR | AoR | 139 | 52 | 6-8 Weeks |
| P5317.135.125 | 125 | 130 | AoR | 96 | AoR | AoR | 164 | 60 | 6-8 Weeks |
| P5317.135.180 | 180 | 185 | AoR | 138 | AoR | AoR | 199 | 65 | 6-8 Weeks |
| P5317.135.250 | 250 | 283 | AoR | 192 | AoR | AoR | 217 | 70 | 6-8 Weeks |
| P5317.135.315 | 315 | 333 | AoR | 242 | AoR | AoR | 278 | 80 | 6-8 Weeks |
| P5317.135.355 | 355 | 371 | AoR | 272 | AoR | AoR | 385 | 85 | 6-8 Weeks |
| P5317.135.450 | 450 | 465 | AoR | 345 | AoR | AoR | 400 | 100 | 6-8 Weeks |
| P5317.135.500 | 500 | 528 | AoR | 383 | AoR | AoR | 455 | 105 | 6-8 Weeks |
| P5317.135.560 | 560 | 613 | AoR | 429 | AoR | AoR | 465 | 115 | 6-8 Weeks |
| P5317.135.630 | 630 | 640 | AoR | 483 | AoR | AoR | 475 | 125 | 6-8 Weeks |
Flange Adaptor / Spigot / PN10 / SDR17
Standard PE100 flange adaptor complying to ISO 9624 SDR 9. Injection moulded in PE100 RC black compound, with an extra-long spigot to allow fastener removal once fused in place. The flanges, fasteners and gaskets are not included with this flange adaptor.
| See note above regarding internal steps. | |||||||||
| WSD PS require full face flange assemblies to be used on sizes > DN150. | |||||||||
| AoR dimensions are available on request, please contact us. | |||||||||
| Product Code | dn | D5 | D4 | d3 | le | t3 | L | h1 | Availability in Hong Kong |
| P5314.135.355 | 355 | 371 | AoR | 311 | AoR | AoR | 365 | 65 | 6-8 Weeks |
| P5314.135.450 | 450 | 465 | AoR | 394 | AoR | AoR | 375 | 75 | 6-8 Weeks |
| P5314.135.500 | 500 | 528 | AoR | 438 | AoR | AoR | 430 | 80 | 6-8 Weeks |
| P5314.135.560 | 560 | 613 | AoR | 491 | AoR | AoR | 435 | 85 | 6-8 Weeks |
| P5314.135.630 | 630 | 640 | AoR | 552 | AoR | AoR | 435 | 85 | 6-8 Weeks |
| P5314.135.710 | 710 | 735 | AoR | 622 | AoR | AoR | 440 | 90 | 6-8 Weeks |
| P5314.135.800 | 800 | 838 | AoR | 701 | AoR | AoR | 445 | 95 | 6-8 Weeks |
| P5314.135.900 | 900 | 942 | AoR | 789 | AoR | AoR | 495 | 95 | 6-8 Weeks |
| P5314.135.1000 | 1000 | 1045 | AoR | 876 | AoR | AoR | 495 | 95 | 6-8 Weeks |
| P5314.135.1200 | 1200 | 1245 | AoR | 1052 | AoR | AoR | 510 | 110 | 6-8 Weeks |
Flange Adaptor / Butt Fusion / PN16 / SDR11
Standard PE100 flange adaptor complying to ISO 9624 SDR 9. Injection moulded in PE100 RC black compound, with an extra-long spigot to allow fastener removal once fused in place. The flanges, fasteners and gaskets are not included with this flange adaptor.
| See note above regarding internal steps. | |||||||||
| WSD PS require full face flange assemblies to be used on sizes > DN150. | |||||||||
| AoR dimensions are available on request, please contact us. | |||||||||
| Product Code | dn | D5 | D4 | d3 | le | t3 | L | h1 | Availability in Hong Kong |
| P2314.135.630 | 630 | 642 | AoR | 552 | AoR | AoR | 110 | 85 | 6-8 Weeks |
| P2314.135.710 | 710 | 737 | AoR | 622 | AoR | AoR | 120 | 90 | 6-8 Weeks |
| P2314.135.800 | 800 | 840 | AoR | 701 | AoR | AoR | 120 | 95 | 6-8 Weeks |
| P2314.135.900 | 900 | 944 | AoR | 789 | AoR | AoR | 120 | 95 | 6-8 Weeks |
| P2314.135.1000 | 1000 | 1040 | AoR | 876 | AoR | AoR | 120 | 95 | 6-8 Weeks |
| P2314.135.1200 | 1200 | 1230 | AoR | 1052 | AoR | AoR | 180 | 120 | 6-8 Weeks |
| P2314.135.1400 | 1400 | 1430 | AoR | 1227 | AoR | AoR | 180 | 150 | 6-8 Weeks |
| P2314.135.1600 | 1600 | 1630 | AoR | 1402 | AoR | AoR | 200 | 160 | 6-8 Weeks |
| P2314.135.1800 | 1800 | 1850 | AoR | 1578 | AoR | AoR | 200 | 170 | 6-8 Weeks |
| P2314.135.2000 | 2000 | 2050 | AoR | 1753 | AoR | AoR | 250 | 190 | 6-8 Weeks |
Flange Adaptor / Butt Fusion / PN10 / SDR17
Standard PE100 flange adaptor complying to ISO 9624 SDR 9. Injection moulded in PE100 RC black compound, with an extra-long spigot to allow fastener removal once fused in place. The flanges, fasteners and gaskets are not included with this flange adaptor.
| See note above regarding internal steps. | |||||||||
| WSD PS require full face flange assemblies to be used on sizes > DN150. | |||||||||
| AoR dimensions are available on request, please contact us. | |||||||||
| Product Code | dn | D5 | D4 | d3 | le | t3 | L | h1 | Availability in Hong Kong |
| P2316.135.630 | 630 | 642 | AoR | 510 | AoR | AoR | 120 | 95 | 6-8 Weeks |
| P2316.135.710 | 710 | 737 | AoR | 574 | AoR | AoR | 130 | 110 | 6-8 Weeks |
| P2316.135.800 | 800 | 840 | AoR | 647 | AoR | AoR | 140 | 120 | 6-8 Weeks |
| P2316.135.900 | 900 | 944 | AoR | 728 | AoR | AoR | 160 | 135 | 6-8 Weeks |
| P2316.135.1000 | 1000 | 1040 | AoR | 809 | AoR | AoR | 170 | 145 | 6-8 Weeks |
