Flange Assemblies / Standard
These flange adaptors are designed for making a flange connection between two PE pipes.
These assemblies in sizes >dn225 x DN200 do NOT comply with DSD PS Appendix 5A and they may not be suitable for connecting PE to other materials such as DI pipes, valves or fittings, as this may create an undesirable internal step at the interface between the PE and DI flange, explained here. For connecting PE pipe by flange joint to other flanged material (valve or fitting) use a Full-Face Assembly
Standard flange adaptors complying to ISO 9624. Machined from PE100+ hollow bar, with an extra-long spigot to allow fastener removal once fused in place. Supplied with either a FBE coated loose mild steel or 316 Stainless Steel backing flange, complying to EN 1092-1 drilled PN16. FBE is 300um thick in accordance with WIS 4-52-01. Fasteners and gaskets not included.
Flange Assembly / Standard / Long Spigot / PN8 / SDR21
NOTE: This flange adaptor is SDR21 so rated for PN8, however, the loose backing flange thickness and drilling is PN16. PN2.5, PN6 or PN10 drilled backing rings for these assemblies are available on request.
| * Compliant to DSD standards for sizes dn 225 x DN200 and below. For sizes above dn 225 use Full-Face Assemblies. | ||||||||||
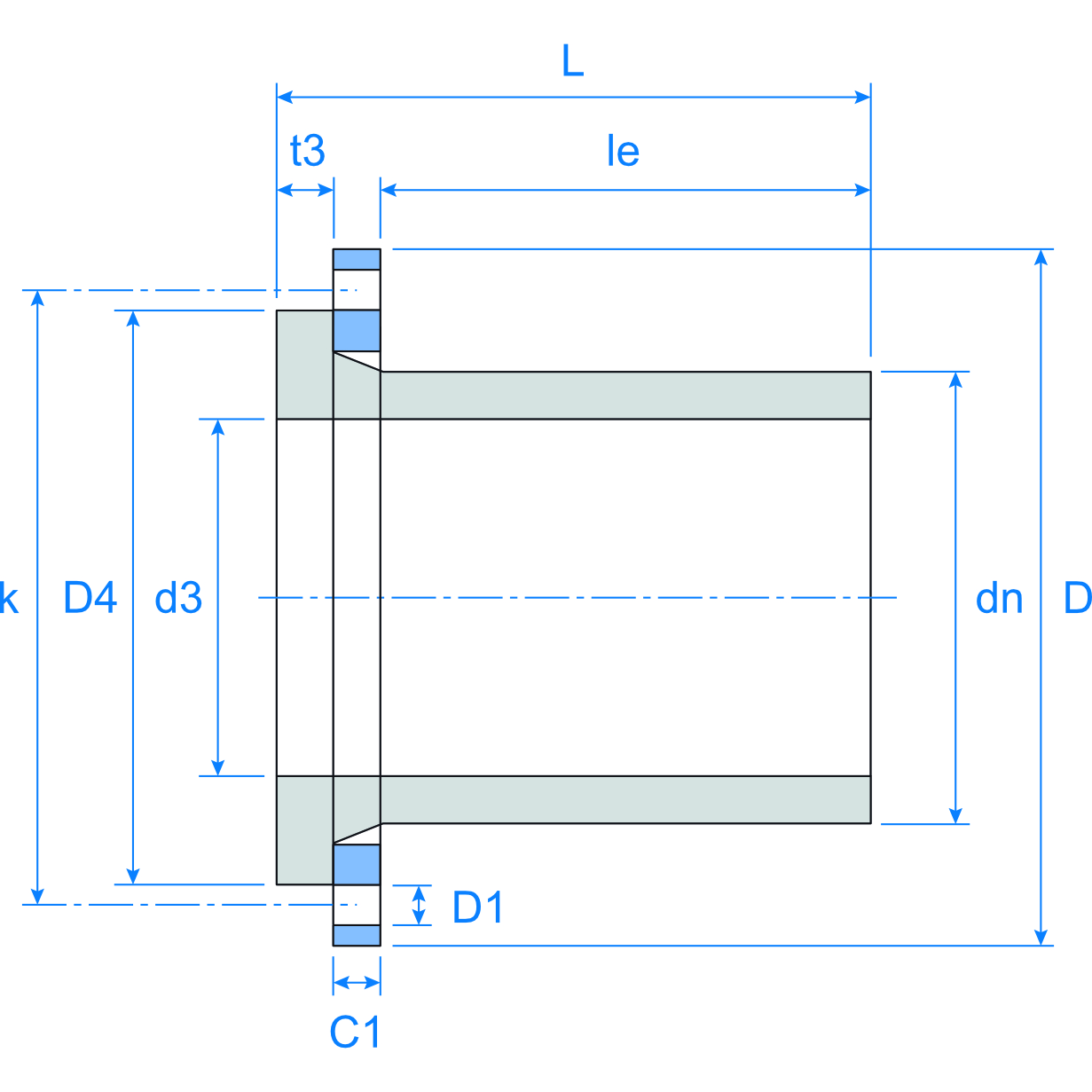
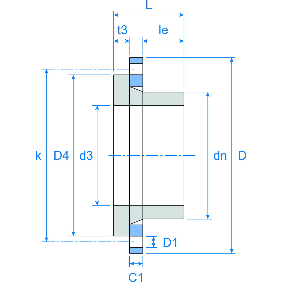
| Dimensions for (t3, le, k, D4, D and C1) are available on request – see drawing below. | ||||||||||
| Standard Flange Assembly Long Spigot Black PN8 SDR21 | Loose Backing Flange EN1092 PN16 | |||||||||
| FBE Flange | 316SS Flange | dn x DN | dn | d3 | L | DN | k | D1 | n | Availability in Hong Kong |
| P5313.J6.063050 | P5313.L6.063050 | *63 x 50 | 63 | 57 | 100 | 50 | 125 | 18 | 4 | 6-8 weeks |
| P5313.J6.090080 | P5313.L6.090080 | *90 x 80 | 90 | 81 | 120 | 80 | 160 | 18 | 8 | 6-8 weeks |
| P5313.J6.110080 | P5313.L6.110080 | *110 x 80 | 110 | 99 | 130 | 80 | 160 | 18 | 8 | 6-8 weeks |
| P5313.J6.110100 | P5313.L6.110100 | *110 x 100 | 110 | 99 | 130 | 100 | 180 | 18 | 8 | 6-8 weeks |
| P5313.J6.125100 | P5313.L6.125100 | *125 x 100 | 125 | 112 | 155 | 100 | 180 | 18 | 8 | 6-8 weeks |
| P5313.J6.140125 | P5313.L6.140125 | *140 x 125 | 140 | 126 | 160 | 125 | 210 | 18 | 8 | 6-8 weeks |
| P5313.J6.160150 | P5313.L6.160150 | *160 x 150 | 160 | 144 | 160 | 150 | 240 | 22 | 8 | 6-8 weeks |
| P5313.J6.180150 | P5313.L6.180150 | *180 x 150 | 180 | 162 | 190 | 150 | 240 | 22 | 8 | 6-8 weeks |
| P5313.J6.200200 | P5313.L6.200200 | *200 x 200 | 200 | 180 | 180 | 200 | 295 | 22 | 12 | 6-8 weeks |
| P5313.J6.225200 | P5313.L6.225200 | *225 x 200 | 225 | 203 | 270 | 200 | 295 | 22 | 12 | 6-8 weeks |
| P5313.J6.250250 | P5313.L6.250250 | 250 x 250 | 250 | 225 | 210 | 250 | 355 | 26 | 12 | 6-8 weeks |
| P5313.J6.280250 | P5313.L6.280250 | 280 x 250 | 280 | 252 | 330 | 250 | 355 | 26 | 12 | 6-8 weeks |
| P5313.J6.315300 | P5313.L6.315300 | 315 x 300 | 315 | 284 | 340 | 300 | 410 | 26 | 12 | 6-8 weeks |
| P5313.J6.355350 | P5313.L6.355350 | 355 x 350 | 355 | 320 | 365 | 350 | 470 | 26 | 16 | 6-8 weeks |
| P5313.J6.400400 | P5313.L6.400400 | 400 x 400 | 400 | 360 | 370 | 400 | 525 | 30 | 16 | 6-8 weeks |
| P5313.J6.450450 | P5313.L6.450450 | 450 x 450 | 450 | 406 | 375 | 450 | 585 | 30 | 20 | 6-8 weeks |
| P5313.J6.500500 | P5313.L6.500500 | 500 x 500 | 500 | 451 | 430 | 500 | 650 | 33 | 20 | 6-8 weeks |
| P5313.J6.560600 | P5313.L6.560600 | 560 x 600 | 560 | 505 | 435 | 600 | 770 | 36 | 20 | 6-8 weeks |
| P5313.J6.630600 | P5313.L6.630600 | 630 x 600 | 630 | 568 | 435 | 600 | 770 | 36 | 20 | 6-8 weeks |
| P5313.J6.710700 | P5313.L6.710700 | 710 x 700 | 710 | 640 | 440 | 700 | 840 | 36 | 24 | 6-8 weeks |
| P5313.J6.800800 | P5313.L6.800800 | 800 x 800 | 800 | 721 | 445 | 800 | 950 | 39 | 24 | 6-8 weeks |
Flange Assembly / Standard / Long Spigot / PN10 / SDR17
NOTE: This flange adaptor is SDR17 so rated for PN10, however, the loose backing flange thickness and drilling is PN16. PN2.5, PN6 or PN10 drilled backing rings for these assemblies are available on request.
| * Compliant to DSD standards for sizes dn 225 x DN200 and below. For sizes above dn 225 use Full-Face Assemblies. | ||||||||||
| Dimensions for (t3, le, k, D4, D and C1) are available on request – see drawing below. | ||||||||||
| Standard Flange Assembly Long Spigot Black PN10 SDR17 | Loose Backing Flange EN1092 PN16 | |||||||||
| FBE Flange | 316SS Flange | dn x DN | dn | d3 | L | DN | k | D1 | n | Availability in Hong Kong |
| P5314.J6.063050 | P5314.L6.063050 | *63 x 50 | 63 | 55 | 100 | 50 | 125 | 18 | 4 | 6-8 weeks |
| P5314.J6.090080 | P5314.L6.090080 | *90 x 80 | 90 | 79 | 120 | 80 | 160 | 18 | 8 | 6-8 weeks |
| P5314.J6.110080 | P5314.L6.110080 | *110 x 80 | 110 | 96 | 130 | 80 | 160 | 18 | 8 | 6-8 weeks |
| P5314.J6.110100 | P5314.L6.110100 | *110 x 100 | 110 | 96 | 130 | 100 | 180 | 18 | 8 | 6-8 weeks |
| P5314.J6.125100 | P5314.L6.125100 | *125 x 100 | 125 | 110 | 155 | 100 | 180 | 18 | 8 | 6-8 weeks |
| P5314.J6.140125 | P5314.L6.140125 | *140 x 125 | 140 | 123 | 160 | 125 | 210 | 18 | 8 | 6-8 weeks |
| P5314.J6.160150 | P5314.L6.160150 | *160 x 150 | 160 | 140 | 160 | 150 | 240 | 22 | 8 | 6-8 weeks |
| P5314.J6.180150 | P5314.L6.180150 | *180 x 150 | 180 | 158 | 190 | 150 | 240 | 22 | 8 | 6-8 weeks |
| P5314.J6.200200 | P5314.L6.200200 | *200 x 200 | 200 | 175 | 180 | 200 | 295 | 22 | 12 | 6-8 weeks |
| P5314.J6.225200 | P5314.L6.225200 | *225 x 200 | 225 | 197 | 270 | 200 | 295 | 22 | 12 | 6-8 weeks |
| P5314.J6.250250 | P5314.L6.250250 | 250 x 250 | 250 | 219 | 210 | 250 | 355 | 26 | 12 | 6-8 weeks |
| P5314.J6.280250 | P5314.L6.280250 | 280 x 250 | 280 | 245 | 330 | 250 | 355 | 26 | 12 | 6-8 weeks |
| P5314.J6.315300 | P5314.L6.315300 | 315 x 300 | 315 | 276 | 340 | 300 | 410 | 26 | 12 | 6-8 weeks |
| P5314.J6.355350 | P5314.L6.355350 | 355 x 350 | 355 | 311 | 365 | 350 | 470 | 26 | 16 | 6-8 weeks |
| P5314.J6.400400 | P5314.L6.400400 | 400 x 400 | 400 | 351 | 370 | 400 | 525 | 30 | 16 | 6-8 weeks |
| P5314.J6.450450 | P5314.L6.450450 | 450 x 450 | 450 | 394 | 375 | 450 | 585 | 30 | 20 | 6-8 weeks |
| P5314.J6.500500 | P5314.L6.500500 | 500 x 500 | 500 | 438 | 430 | 500 | 650 | 33 | 20 | 6-8 weeks |
| P5314.J6.560600 | P5314.L6.560600 | 560 x 600 | 560 | 491 | 435 | 600 | 770 | 36 | 20 | 6-8 weeks |
| P5314.J6.630600 | P5314.L6.630600 | 630 x 600 | 630 | 552 | 435 | 600 | 770 | 36 | 20 | 6-8 weeks |
| P5314.J6.710700 | P5314.L6.710700 | 710 x 700 | 710 | 622 | 440 | 700 | 840 | 36 | 24 | 6-8 weeks |
| P5314.J6.800800 | P5314.L6.800800 | 800 x 800 | 800 | 701 | 445 | 800 | 950 | 39 | 24 | 6-8 weeks |
Flange Assembly / Standard / Long Spigot / PN12.5 / SDR13.6
NOTE: This flange adaptor is SDR13.6 so rated for PN12.5, however, the loose backing flange thickness and drilling is PN16. PN2.5, PN6 or PN10 drilled backing rings for these assemblies are available on request.
| * Compliant to DSD standards for sizes dn 225 x DN200 and below. For sizes above dn 225 use Full-Face Assemblies. | ||||||||||
| Dimensions for (t3, le, k, D4, D and C1) are available on request – see drawing below. | ||||||||||
| Standard Flange Assembly Long Spigot Black PN12.5 SDR13.6 | Loose Backing Flange EN1092 PN16 | |||||||||
| FBE Flange | 316SS Flange | dn x DN | dn | d3 | L | DN | k | D1 | n | Availability in Hong Kong |
| P5315.J6.063050 | P5315.L6.063050 | *63 x 50 | 63 | 53 | 100 | 50 | 125 | 18 | 4 | 6-8 weeks |
| P5315.J6.090080 | P5315.L6.090080 | *90 x 80 | 90 | 76 | 120 | 80 | 160 | 18 | 8 | 6-8 weeks |
| P5315.J6.110080 | P5315.L6.110080 | *110 x 80 | 110 | 93 | 130 | 80 | 160 | 18 | 8 | 6-8 weeks |
| P5315.J6.110100 | P5315.L6.110100 | *110 x 100 | 110 | 93 | 130 | 100 | 180 | 18 | 8 | 6-8 weeks |
| P5315.J6.125100 | P5315.L6.125100 | *125 x 100 | 125 | 106 | 155 | 100 | 180 | 18 | 8 | 6-8 weeks |
| P5315.J6.140125 | P5315.L6.140125 | *140 x 125 | 140 | 119 | 160 | 125 | 210 | 18 | 8 | 6-8 weeks |
| P5315.J6.160150 | P5315.L6.160150 | *160 x 150 | 160 | 135 | 160 | 150 | 240 | 22 | 8 | 6-8 weeks |
| P5315.J6.180150 | P5315.L6.180150 | *180 x 150 | 180 | 152 | 190 | 150 | 240 | 22 | 8 | 6-8 weeks |
| P5315.J6.200200 | P5315.L6.200200 | *200 x 200 | 200 | 169 | 180 | 200 | 295 | 22 | 12 | 6-8 weeks |
| P5315.J6.225200 | P5315.L6.225200 | *225 x 200 | 225 | 191 | 270 | 200 | 295 | 22 | 12 | 6-8 weeks |
| P5315.J6.250250 | P5315.L6.250250 | 250 x 250 | 250 | 212 | 210 | 250 | 355 | 26 | 12 | 6-8 weeks |
| P5315.J6.280250 | P5315.L6.280250 | 280 x 250 | 280 | 237 | 330 | 250 | 355 | 26 | 12 | 6-8 weeks |
| P5315.J6.315300 | P5315.L6.315300 | 315 x 300 | 315 | 267 | 340 | 300 | 410 | 26 | 12 | 6-8 weeks |
| P5315.J6.355350 | P5315.L6.355350 | 355 x 350 | 355 | 301 | 365 | 350 | 470 | 26 | 16 | 6-8 weeks |
| P5315.J6.400400 | P5315.L6.400400 | 400 x 400 | 400 | 339 | 370 | 400 | 525 | 30 | 16 | 6-8 weeks |
| P5315.J6.450450 | P5315.L6.450450 | 450 x 450 | 450 | 382 | 375 | 450 | 585 | 30 | 20 | 6-8 weeks |
| P5315.J6.500500 | P5315.L6.500500 | 500 x 500 | 500 | 424 | 430 | 500 | 650 | 33 | 20 | 6-8 weeks |
| P5315.J6.560600 | P5315.L6.560600 | 560 x 600 | 560 | 475 | 435 | 600 | 770 | 36 | 20 | 6-8 weeks |
| P5315.J6.630600 | P5315.L6.630600 | 630 x 600 | 630 | 534 | 435 | 600 | 770 | 36 | 20 | 6-8 weeks |
| P5315.J6.710700 | P5315.L6.710700 | 710 x 700 | 710 | 602 | 440 | 700 | 840 | 36 | 24 | 6-8 weeks |
| P5315.J6.800800 | P5315.L6.800800 | 800 x 800 | 800 | 678 | 445 | 800 | 950 | 39 | 24 | 6-8 weeks |
Flange Assembly / Standard / Long Spigot / PN16 / SDR11
NOTE: This flange adaptor is SDR11 so rated for PN16 with a loose backing flange thickness and drilling to PN16. PN2.5, PN6 or PN10 drilled backing rings for these assemblies are available on request.
| * Compliant to DSD standards for sizes dn 225 x DN200 and below. For sizes above dn 225 use Full-Face Assemblies. | ||||||||||
| Dimensions for (t3, le, k, D4, D and C1) are available on request – see drawing below. | ||||||||||
| Standard Flange Assembly Long Spigot Black PN16 SDR11 | Loose Backing Flange EN1092 PN16 | |||||||||
| FBE Flange | 316SS Flange | dn x DN | dn | d3 | L | DN | k | D1 | n | Availability in Hong Kong |
| P5316.J6.063050 | P5316.L6.063050 | *63 x 50 | 63 | 51 | 100 | 50 | 125 | 18 | 4 | 6-8 weeks |
| P5316.J6.090080 | P5316.L6.090080 | *90 x 80 | 90 | 73 | 120 | 80 | 160 | 18 | 8 | 6-8 weeks |
| P5316.J6.110080 | P5316.L6.110080 | *110 x 80 | 110 | 89 | 130 | 80 | 160 | 18 | 8 | 6-8 weeks |
| P5316.J6.110100 | P5316.L6.110100 | *110 x 100 | 110 | 89 | 130 | 100 | 180 | 18 | 8 | 6-8 weeks |
| P5316.J6.125100 | P5316.L6.125100 | *125 x 100 | 125 | 101 | 155 | 100 | 180 | 18 | 8 | 6-8 weeks |
| P5316.J6.140125 | P5316.L6.140125 | *140 x 125 | 140 | 113 | 160 | 125 | 210 | 18 | 8 | 6-8 weeks |
| P5316.J6.160150 | P5316.L6.160150 | *160 x 150 | 160 | 130 | 160 | 150 | 240 | 22 | 8 | 6-8 weeks |
| P5316.J6.180150 | P5316.L6.180150 | *180 x 150 | 180 | 146 | 190 | 150 | 240 | 22 | 8 | 6-8 weeks |
| P5316.J6.200200 | P5316.L6.200200 | *200 x 200 | 200 | 162 | 180 | 200 | 295 | 22 | 12 | 6-8 weeks |
| P5316.J6.225200 | P5316.L6.225200 | *225 x 200 | 225 | 183 | 270 | 200 | 295 | 22 | 12 | 6-8 weeks |
| P5316.J6.250250 | P5316.L6.250250 | 250 x 250 | 250 | 203 | 210 | 250 | 355 | 26 | 12 | 6-8 weeks |
| P5316.J6.280250 | P5316.L6.280250 | 280 x 250 | 280 | 227 | 330 | 250 | 355 | 26 | 12 | 6-8 weeks |
| P5316.J6.315300 | P5316.L6.315300 | 315 x 300 | 315 | 256 | 340 | 300 | 410 | 26 | 12 | 6-8 weeks |
| P5316.J6.355350 | P5316.L6.355350 | 355 x 350 | 355 | 288 | 365 | 350 | 470 | 26 | 16 | 6-8 weeks |
| P5316.J6.400400 | P5316.L6.400400 | 400 x 400 | 400 | 325 | 370 | 400 | 525 | 30 | 16 | 6-8 weeks |
| P5316.J6.450450 | P5316.L6.450450 | 450 x 450 | 450 | 365 | 375 | 450 | 585 | 30 | 20 | 6-8 weeks |
| P5316.J6.500500 | P5316.L6.500500 | 500 x 500 | 500 | 406 | 430 | 500 | 650 | 33 | 20 | 6-8 weeks |
| P5316.J6.560600 | P5316.L6.560600 | 560 x 600 | 560 | 455 | 435 | 600 | 770 | 36 | 20 | 6-8 weeks |
| P5316.J6.630600 | P5316.L6.630600 | 630 x 600 | 630 | 512 | 435 | 600 | 770 | 36 | 20 | 6-8 weeks |
| P5316.J6.710700 | P5316.L6.710700 | 710 x 700 | 710 | 577 | 440 | 700 | 840 | 36 | 24 | 6-8 weeks |
| P5316.J6.800800 | P5316.L6.800800 | 800 x 800 | 800 | 650 | 445 | 800 | 950 | 39 | 24 | 6-8 weeks |
Flange Assembly / Standard / Long Spigot / PN20 / SDR9
NOTE: This flange adaptor is SDR9 so rated for PN20, however, the loose backing flange thickness and drilling is PN16. PN10 or PN25 drilled backing rings for these assemblies are available on request.
| * Compliant to DSD standards for sizes dn 225 x DN200 and below. For sizes above dn 225 use Full-Face Assemblies. |
||||||||||
| Dimensions for (t3, le, k, D4, D and C1) are available on request – see drawing below. | ||||||||||
| Standard Flange Assembly Long Spigot Black PN20 SDR9 | Loose Backing Flange EN1092 PN16 | |||||||||
| FBE Flange | 316SS Flange | dn x DN | dn | d3 | L | DN | k | D1 | n | Availability in Hong Kong |
| P5317.J6.063050 | P5317.L6.063050 | *63 x 50 | 63 | 48 | 100 | 50 | 125 | 18 | 4 | 6-8 weeks |
| P5317.J6.090080 | P5317.L6.090080 | *90 x 80 | 90 | 69 | 120 | 80 | 160 | 18 | 8 | 6-8 weeks |
| P5317.J6.110080 | P5317.L6.110080 | *110 x 80 | 110 | 84 | 130 | 80 | 160 | 18 | 8 | 6-8 weeks |
| P5317.J6.110100 | P5317.L6.110100 | *110 x 100 | 110 | 84 | 130 | 100 | 180 | 18 | 8 | 6-8 weeks |
| P5317.J6.125100 | P5317.L6.125100 | *125 x 100 | 125 | 96 | 155 | 100 | 180 | 18 | 8 | 6-8 weeks |
| P5317.J6.140125 | P5317.L6.140125 | *140 x 125 | 140 | 108 | 160 | 125 | 210 | 18 | 8 | 6-8 weeks |
| P5317.J6.160150 | P5317.L6.160150 | *160 x 150 | 160 | 123 | 160 | 150 | 240 | 22 | 8 | 6-8 weeks |
| P5317.J6.180150 | P5317.L6.180150 | *180 x 150 | 180 | 139 | 190 | 150 | 240 | 22 | 8 | 6-8 weeks |
| P5317.J6.200200 | P5317.L6.200200 | *200 x 200 | 200 | 154 | 180 | 200 | 295 | 22 | 12 | 6-8 weeks |
| P5317.J6.225200 | P5317.L6.225200 | *225 x 200 | 225 | 173 | 270 | 200 | 295 | 22 | 12 | 6-8 weeks |
| P5317.J6.250250 | P5317.L6.250250 | 250 x 250 | 250 | 193 | 210 | 250 | 355 | 26 | 12 | 6-8 weeks |
| P5317.J6.280250 | P5317.L6.280250 | 280 x 250 | 280 | 216 | 330 | 250 | 355 | 26 | 12 | 6-8 weeks |
| P5317.J6.315300 | P5317.L6.315300 | 315 x 300 | 315 | 243 | 340 | 300 | 410 | 26 | 12 | 6-8 weeks |
| P5317.J6.355350 | P5317.L6.355350 | 355 x 350 | 355 | 273 | 365 | 350 | 470 | 26 | 16 | 6-8 weeks |
| P5317.J6.400400 | P5317.L6.400400 | 400 x 400 | 400 | 308 | 370 | 400 | 525 | 30 | 16 | 6-8 weeks |
| P5317.J6.450450 | P5317.L6.450450 | 450 x 450 | 450 | 347 | 375 | 450 | 585 | 30 | 20 | 6-8 weeks |
| P5317.J6.500500 | P5317.L6.500500 | 500 x 500 | 500 | 385 | 430 | 500 | 650 | 33 | 20 | 6-8 weeks |
| P5317.J6.560600 | P5317.L6.560600 | 560 x 600 | 560 | 431 | 435 | 600 | 770 | 36 | 20 | 6-8 weeks |
| P5317.J6.630600 | P5317.L6.630600 | 630 x 600 | 630 | 486 | 435 | 600 | 770 | 36 | 20 | 6-8 weeks |
| P5317.J6.710700 | P5317.L6.710700 | 710 x 700 | 710 | 547 | 440 | 700 | 840 | 36 | 24 | 6-8 weeks |
| P5317.J6.800800 | P5317.L6.800800 | 800 x 800 | 800 | 617 | 445 | 800 | 950 | 39 | 24 | 6-8 weeks |
Flange Assembly / Standard / Butt Fusion / PN8 / SDR21
NOTE: This flange adaptor is SDR21 so rated for PN8, however, the loose backing flange thickness and drilling is PN16. PN2.5, PN6 or PN10 drilled backing rings for these assemblies are available on request.
| Standard Flange Assembly Butt Fusion Black PN8 SDR21 | Loose Backing Flange EN1092 PN16 | |||||||||
| FBE Flange | 316SS Flange | dn x DN | dn | d3 | L | DN | k | D1 | n | Availability in Hong Kong |
| P2313.J6.710700 | P2313.L6.710700 | 710 x 700 | 710 | 640 | 120 | 700 | 840 | 36 | 24 | 6-8 weeks |
| P2313.J6.800800 | P2313.L6.800800 | 800 x 800 | 800 | 721 | 120 | 800 | 950 | 39 | 24 | 6-8 weeks |
| P2313.J6.900900 | P2313.L6.900900 | 900 x 900 | 900 | 811 | 120 | 900 | 1050 | 39 | 28 | 6-8 weeks |
| P2313.J6.10001000 | P2313.L6.10001000 | 1000 x 1000 | 1000 | 902 | 120 | 1000 | 1170 | 42 | 28 | 6-8 weeks |
| P2313.J6.12001200 | P2313.L6.12001200 | 1200 x 1200 | 1200 | 1082 | 180 | 1200 | 1390 | 48 | 32 | 6-8 weeks |
| P2313.J6.14001400 | P2313.L6.14001400 | 1400 x 1400 | 1400 | 1262 | 180 | 1400 | 1590 | 48 | 36 | 6-8 weeks |
| P2313.J6.16001600 | P2313.L6.16001600 | 1600 x 1600 | 1600 | 1443 | 200 | 1600 | 1820 | 56 | 40 | 6-8 weeks |
| P2313.J6.18001800 | P2313.L6.18001800 | 1800 x 1800 | 1800 | 1623 | 200 | 1800 | 2020 | 56 | 44 | 6-8 weeks |
Flange Assembly / Standard / Butt Fusion / PN10 / SDR17
NOTE: This flange adaptor is SDR17 so rated for PN10, however, the loose backing flange thickness and drilling is PN16. PN2.5, PN6 or PN10 drilled backing rings for these assemblies are available on request.
| Standard Flange Assembly Butt Fusion Black PN10 SDR17 | Loose Backing Flange EN1092 PN16 | |||||||||
| FBE Flange | 316SS Flange | dn x DN | dn | d3 | L | DN | k | D1 | n | Availability in Hong Kong |
| P2314.J6.710700 | P2314.L6.710700 | 710 x 700 | 710 | 622 | 120 | 700 | 840 | 36 | 24 | 6-8 weeks |
| P2314.J6.800800 | P2314.L6.800800 | 800 x 800 | 800 | 701 | 120 | 800 | 950 | 39 | 24 | 6-8 weeks |
| P2314.J6.900900 | P2314.L6.900900 | 900 x 900 | 900 | 789 | 120 | 900 | 1050 | 39 | 28 | 6-8 weeks |
| P2314.J6.10001000 | P2314.L6.10001000 | 1000 x 1000 | 1000 | 876 | 120 | 1000 | 1170 | 42 | 28 | 6-8 weeks |
| P2314.J6.12001200 | P2314.L6.12001200 | 1200 x 1200 | 1200 | 1052 | 180 | 1200 | 1390 | 48 | 32 | 6-8 weeks |
| P2314.J6.14001400 | P2314.L6.14001400 | 1400 x 1400 | 1400 | 1227 | 180 | 1400 | 1590 | 48 | 36 | 6-8 weeks |
| P2314.J6.16001600 | P2314.L6.16001600 | 1600 x 1600 | 1600 | 1402 | 200 | 1600 | 1820 | 56 | 40 | 6-8 weeks |
| P2314.J6.18001800 | P2314.L6.18001800 | 1800 x 1800 | 1800 | 1578 | 200 | 1800 | 2020 | 56 | 44 | 6-8 weeks |
Flange Assembly / Standard / Butt Fusion / PN12.5 / SDR13.6
NOTE: This flange adaptor is SDR13.6 so rated for PN12.5, however, the loose backing flange thickness and drilling is PN16. PN2.5, PN6 or PN10 drilled backing rings for these assemblies are available on request.
| Standard Flange Assembly Butt Fusion Black PN12.5 SDR13.6 | Loose Backing Flange EN1092 PN16 | |||||||||
| FBE Flange | 316SS Flange | dn x DN | dn | d3 | L | DN | k | D1 | n | Availability in Hong Kong |
| P2315.J6.710700 | P2315.L6.710700 | 710 x 700 | 710 | 602 | 120 | 700 | 840 | 36 | 24 | 6-8 weeks |
| P2315.J6.800800 | P2315.L6.800800 | 800 x 800 | 800 | 678 | 120 | 800 | 950 | 39 | 24 | 6-8 weeks |
| P2315.J6.900900 | P2315.L6.900900 | 900 x 900 | 900 | 763 | 120 | 900 | 1050 | 39 | 28 | 6-8 weeks |
| P2315.J6.10001000 | P2315.L6.10001000 | 1000 x 1000 | 1000 | 848 | 120 | 1000 | 1170 | 42 | 28 | 6-8 weeks |
| P2315.J6.12001200 | P2315.L6.12001200 | 1200 x 1200 | 1200 | 1018 | 180 | 1200 | 1390 | 48 | 32 | 6-8 weeks |
| P2315.J6.14001400 | P2315.L6.14001400 | 1400 x 1400 | 1400 | 1188 | 180 | 1400 | 1590 | 48 | 36 | 6-8 weeks |
Flange Assembly / Standard / Butt Fusion / PN16 / SDR11
NOTE: This flange adaptor is SDR11 so rated for PN16, with a loose backing flange thickness and drilling to PN16. PN2.5, PN6 or PN10 drilled backing rings for these assemblies are available on request.
| Standard Flange Assembly Butt Fusion Black PN16 SDR11 | Loose Backing Flange EN1092 PN16 | |||||||||
| FBE Flange | 316SS Flange | dn x DN | dn | d3 | L | DN | k | D1 | n | Availability in Hong Kong |
| P2316.J6.710700 | P2316.L6.710700 | 710 x 700 | 710 | 577 | 120 | 700 | 840 | 36 | 24 | 6-8 weeks |
| P2316.J6.800800 | P2316.L6.800800 | 800 x 800 | 800 | 650 | 120 | 800 | 950 | 39 | 24 | 6-8 weeks |
| P2316.J6.900900 | P2316.L6.900900 | 900 x 900 | 900 | 731 | 120 | 900 | 1050 | 39 | 28 | 6-8 weeks |
| P2316.J6.10001000 | P2316.L6.10001000 | 1000 x 1000 | 1000 | 812 | 120 | 1000 | 1170 | 42 | 28 | 6-8 weeks |
Flange Assembly / Standard / Butt Fusion / PN20 / SDR9
NOTE: This flange adaptor is SDR9 so rated for PN20, however, the loose backing flange thickness and drilling is PN16. PN10 or PN25 drilled backing rings for these assemblies are available on request.
| Standard Flange Assembly Butt Fusion Black PN20 SDR9 | Loose Backing Flange EN1092 PN16 | |||||||||
| FBE Flange | 316SS Flange | dn x DN | dn | d3 | L | DN | k | D1 | n | Availability in Hong Kong |
| P2317.J6.710700 | P2317.L6.710700 | 710 x 700 | 710 | 547 | 120 | 700 | 840 | 36 | 24 | 6-8 weeks |
| P2314.J7.800800 | P2314.J7.800800 | 800 x 800 | 800 | 617 | 120 | 800 | 950 | 39 | 24 | 6-8 weeks |
