Flange Assemblies / Full-face
Straight / PN8 / SDR21 / with Flange EN1092 / PN16
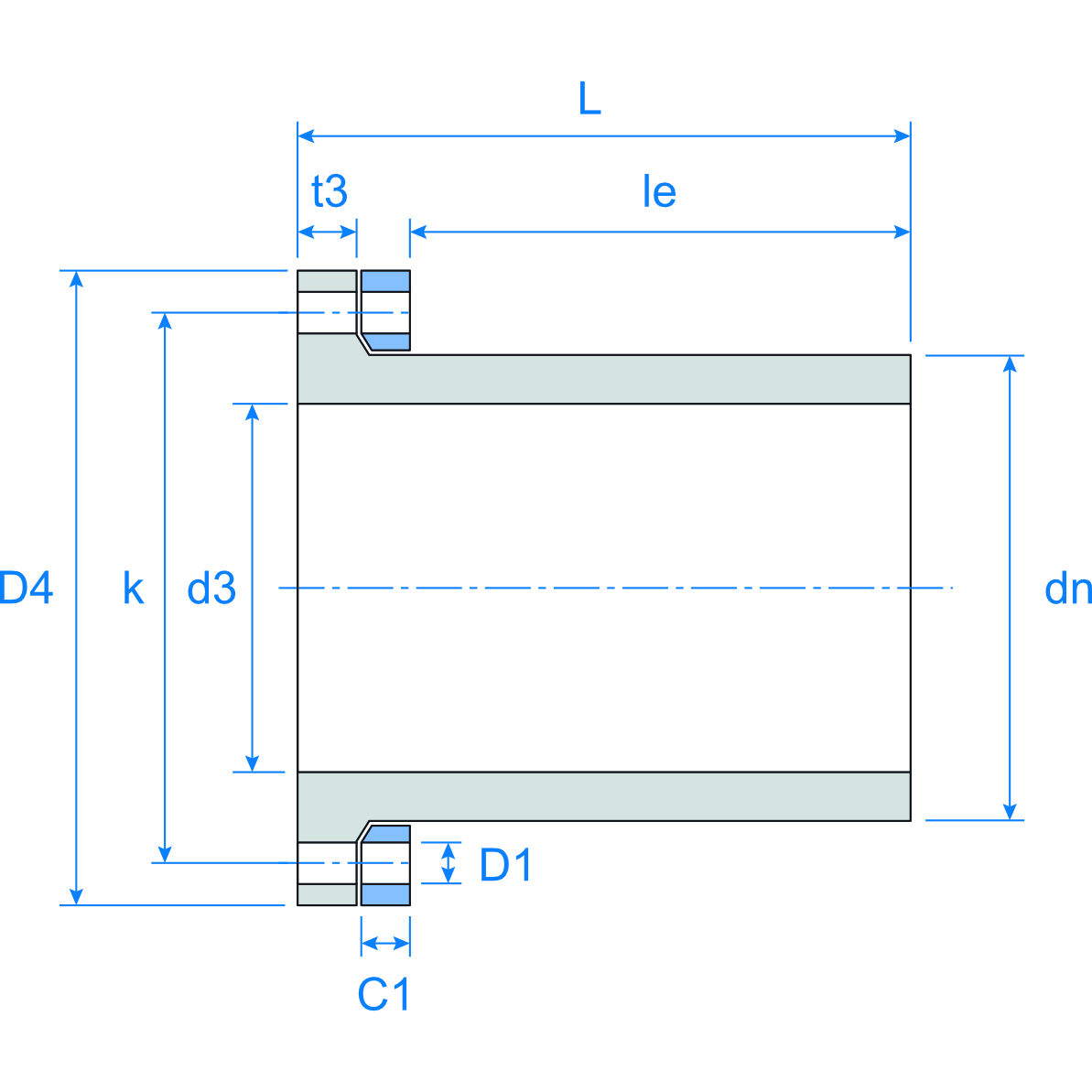
| Dimensions for (t3, le, D4 and C1) are available on request – see drawing below. |
||||||||||
| Full Face Straight Flange Assembly Black PN8 SDR21 | Backing Flange EN1092 PN16 | |||||||||
| FBE Flange | 316SS Flange | dn x DN | dn | d3 | L | DN | k | D1 | n | Availability in Hong Kong |
| P5313.FG.250200 | P5313.FR.250200 | 250 x 200 | 250 | 223 | 325 | 200 | 295 | 22 | 12 | 6-8 weeks |
| P5313.FG.280250 | P5313.FR.280250 | 280 x 250 | 280 | 251 | 330 | 250 | 355 | 26 | 12 | 6-8 weeks |
| P5313.FG.315250 | P5313.FR.315250 | 315 x 250 | 315 | 282 | 360 | 250 | 355 | 26 | 12 | 6-8 weeks |
| P5313.FG.355300 | P5313.FR.355300 | 355 x 300 | 355 | 318 | 395 | 300 | 410 | 26 | 12 | 6-8 weeks |
| P5313.FG.400350 | P5313.FR.400350 | 400 x 350 | 400 | 359 | 415 | 350 | 470 | 26 | 16 | 6-8 weeks |
| P5313.FG.450400 | P5313.FR.450400 | 450 x 400 | 450 | 405 | 450 | 400 | 525 | 30 | 16 | 6-8 weeks |
| P5313.FG.500450 | P5313.FR.500450 | 500 x 450 | 500 | 451 | 500 | 450 | 585 | 30 | 20 | 6-8 weeks |
| P5313.FG.560500 | P5313.FR.560500 | 560 x 500 | 560 | 504 | 530 | 500 | 650 | 33 | 20 | 6-8 weeks |
Stepped / PN8 / SDR21 / with Flange EN1092 / PN16
| Dimensions for (t3, le, D4 and C1) are available on request – see drawing below. | ||||||||||
| Full Face Stepped Flange Assembly Black PN8 SDR21 | Backing Flange EN1092 PN16 | |||||||||
| FBE Flange | 316SS Flange | dn x DN | dn | d3 | L | DN | k | D1 | n | Availability in Hong Kong |
| P5313.EG.280200 | P5313.ER.280200 | 280 x 200 | 280 | 226 | 350 | 200 | 295 | 22 | 12 | 6-8 weeks |
| P5313.EG.400300 | P5313.ER.400300 | 400 x 300 | 400 | 321 | 450 | 300 | 410 | 26 | 12 | 6-8 weeks |
| P5313.EG.450350 | P5313.ER.450350 | 450 x 350 | 450 | 369 | 450 | 350 | 470 | 26 | 16 | 6-8 weeks |
| P5313.EG.500400 | P5313.ER.500400 | 500 x 400 | 500 | 412 | 500 | 400 | 525 | 30 | 16 | 6-8 weeks |
| P5313.EG.560450 | P5313.ER.560450 | 560 x 450 | 560 | 466 | 550 | 450 | 585 | 30 | 20 | 6-8 weeks |
| P5313.EG.630500 | P5313.ER.630500 | 630 x 500 | 630 | 521 | 600 | 500 | 650 | 33 | 20 | 6-8 weeks |
| P5313.EG.710600 | P5313.ER.710600 | 710 x 600 | 710 | 623 | 670 | 600 | 770 | 36 | 20 | 6-8 weeks |
| P5313.EG.800600 | P5313.ER.800600 | 800 x 600 | 800 | 623 | 700 | 600 | 770 | 36 | 20 | 6-8 weeks |
| P5313.EG.800700 | P5313.ER.800700 | 800 x 700 | 800 | 690 | 750 | 700 | 840 | 36 | 24 | 6-8 weeks |
Straight / PN10 / SDR17 / with Flange EN1092 / PN16
| Dimensions for (t3, le, D4 and C1) are available on request – see drawing below. | ||||||||||
| Full Face Straight Flange Assembly Black PN10 SDR17 | Backing Flange EN1092 PN16 | |||||||||
| FBE Flange | 316SS Flange | dn x DN | dn | d3 | L | DN | k | D1 | n | Availability in Hong Kong |
| P5314.FG.250200 | P5314.FR.250200 | 250 x 200 | 250 | 219 | 325 | 200 | 295 | 22 | 12 | 6-8 weeks |
| P5314.FG.280250 | P5314.FR.280250 | 280 x 250 | 280 | 245 | 330 | 250 | 355 | 26 | 12 | 6-8 weeks |
| P5314.FG.315250 | P5314.FR.315250 | 315 x 250 | 315 | 276 | 360 | 250 | 355 | 26 | 12 | 6-8 weeks |
| P5314.FG.355300 | P5314.FR.355300 | 355 x 300 | 355 | 311 | 395 | 300 | 410 | 26 | 12 | 6-8 weeks |
| P5314.FG.400350 | P5314.FR.400350 | 400 x 350 | 400 | 350 | 415 | 350 | 470 | 26 | 16 | 6-8 weeks |
| P5314.FG.450400 | P5314.FR.450400 | 450 x 400 | 450 | 394 | 450 | 400 | 525 | 30 | 16 | 6-8 weeks |
| P5314.FG.500450 | P5314.FR.500450 | 500 x 450 | 500 | 438 | 500 | 450 | 585 | 30 | 20 | 6-8 weeks |
| P5314.FG.560500 | P5314.FR.560500 | 560 x 500 | 560 | 490 | 530 | 500 | 650 | 33 | 20 | 6-8 weeks |
Stepped / PN10 / SDR17 / with Flange EN1092 / PN16
| Dimensions for (t3, le, D4 and C1) are available on request – see drawing below. | ||||||||||
| Full Face Stepped Flange Assembly Black PN10 SDR17 | Backing Flange EN1092 PN16 | |||||||||
| FBE Flange | 316SS Flange | dn x DN | dn | d3 | L | DN | k | D1 | n | Availability in Hong Kong |
| P5314.EG.280200 | P5314.ER.280200 | 280 x 200 | 280 | 220 | 350 | 200 | 295 | 22 | 12 | 6-8 weeks |
| P5314.EG.400300 | P5314.ER.400300 | 400 x 300 | 400 | 313 | 450 | 300 | 410 | 26 | 12 | 6-8 weeks |
| P5314.EG.450350 | P5314.ER.450350 | 450 x 350 | 450 | 360 | 450 | 350 | 470 | 26 | 16 | 6-8 weeks |
| P5314.EG.500400 | P5314.ER.500400 | 500 x 400 | 500 | 402 | 500 | 400 | 525 | 30 | 16 | 6-8 weeks |
| P5314.EG.560450 | P5314.ER.560450 | 560 x 450 | 560 | 454 | 550 | 450 | 585 | 30 | 20 | 6-8 weeks |
| P5314.EG.630500 | P5314.ER.630500 | 630 x 500 | 630 | 508 | 600 | 500 | 650 | 33 | 20 | 6-8 weeks |
| P5314.EG.710600 | P5314.ER.710600 | 710 x 600 | 710 | 608 | 670 | 600 | 770 | 36 | 20 | 6-8 weeks |
| P5314.EG.800600 | P5314.ER.800600 | 800 x 600 | 800 | 608 | 700 | 600 | 770 | 36 | 20 | 6-8 weeks |
| P5314.EG.800700 | P5314.ER.800700 | 800 x 700 | 800 | 673 | 750 | 700 | 840 | 36 | 24 | 6-8 weeks |
Straight / PN12.5 / SDR13.6 / with Flange EN1092 / PN16
| Dimensions for (t3, le, D4 and C1) are available on request – see drawing below. | ||||||||||
| Full Face Straight Flange Assembly Black PN12.5 SDR13.6 | Backing Flange EN1092 PN16 | |||||||||
| FBE Flange | 316SS Flange | dn x DN | dn | d3 | L | DN | k | D1 | n | Availability in Hong Kong |
| P5315.FG.250200 | P5315.FR.250200 | 250 x 200 | 250 | 211 | 325 | 200 | 295 | 22 | 12 | 6-8 weeks |
| P5315.FG.280250 | P5315.FR.280250 | 280 x 250 | 280 | 237 | 330 | 250 | 355 | 26 | 12 | 6-8 weeks |
| P5315.FG.315250 | P5315.FR.315250 | 315 x 250 | 315 | 266 | 360 | 250 | 355 | 26 | 12 | 6-8 weeks |
| P5315.FG.355300 | P5315.FR.355300 | 355 x 300 | 355 | 299 | 395 | 300 | 410 | 26 | 12 | 6-8 weeks |
| P5315.FG.400350 | P5315.FR.400350 | 400 x 350 | 400 | 338 | 415 | 350 | 470 | 26 | 16 | 6-8 weeks |
| P5315.FG.450400 | P5315.FR.450400 | 450 x 400 | 450 | 380 | 450 | 400 | 525 | 30 | 16 | 6-8 weeks |
| P5315.FG.500450 | P5315.FR.500450 | 500 x 450 | 500 | 424 | 500 | 450 | 585 | 30 | 20 | 6-8 weeks |
| P5315.FG.560500 | P5315.FR.560500 | 560 x 500 | 560 | 473 | 530 | 500 | 650 | 33 | 20 | 6-8 weeks |
Stepped / PN12.5 / SDR13.6 / with Flange EN1092 / PN16
| Dimensions for (t3, le, D4 and C1) are available on request – see drawing below. | ||||||||||
| Full Face Stepped Flange Assembly Black PN12.5 SDR13.6 | Backing Flange EN1092 PN16 | |||||||||
| FBE Flange | 316SS Flange | dn x DN | dn | d3 | L | DN | k | D1 | n | Availability in Hong Kong |
| P5315.EG.280200 | P5315.ER.280200 | 280 x 200 | 280 | 213 | 350 | 200 | 295 | 22 | 12 | 6-8 weeks |
| P5315.EG.400300 | P5315.ER.400300 | 400 x 300 | 400 | 303 | 450 | 300 | 410 | 26 | 12 | 6-8 weeks |
| P5315.EG.450350 | P5315.ER.450350 | 450 x 350 | 450 | 348 | 450 | 350 | 470 | 26 | 16 | 6-8 weeks |
| P5315.EG.500400 | P5315.ER.500400 | 500 x 400 | 500 | 389 | 500 | 400 | 525 | 30 | 16 | 6-8 weeks |
| P5315.EG.560450 | P5315.ER.560450 | 560 x 450 | 560 | 439 | 550 | 450 | 585 | 30 | 20 | 6-8 weeks |
| P5315.EG.630500 | P5315.ER.630500 | 630 x 500 | 630 | 491 | 600 | 500 | 650 | 33 | 20 | 6-8 weeks |
| P5315.EG.710600 | P5315.ER.710600 | 710 x 600 | 710 | 588 | 670 | 600 | 770 | 36 | 20 | 6-8 weeks |
| P5315.EG.800600 | P5315.ER.800600 | 800 x 600 | 800 | 588 | 700 | 600 | 770 | 36 | 20 | 6-8 weeks |
| P5315.EG.800700 | P5315.ER.800700 | 800 x 700 | 800 | 651 | 750 | 700 | 840 | 36 | 24 | 6-8 weeks |
Straight / PN16 / SDR11 / with Flange EN1092 / PN16
| Dimensions for (t3, le, D4 and C1) are available on request – see drawing below. | ||||||||||
| Full Face Straight Flange Assembly Black PN16 SDR11 | Backing Flange EN1092 PN16 | |||||||||
| FBE Flange | 316SS Flange | dn x DN | dn | d3 | L | DN | k | D1 | n | Availability in Hong Kong |
| P5316.FG.250200 | P5316.FR.250200 | 250 x 200 | 250 | 202 | 325 | 200 | 295 | 22 | 12 | 6-8 weeks |
| P5316.FG.280250 | P5316.FR.280250 | 280 x 250 | 280 | 229 | 330 | 250 | 355 | 26 | 12 | 6-8 weeks |
| P5316.FG.315250 | P5316.FR.315250 | 315 x 250 | 315 | 255 | 360 | 250 | 355 | 26 | 12 | 6-8 weeks |
| P5316.FG.355300 | P5316.FR.355300 | 355 x 300 | 355 | 287 | 395 | 300 | 410 | 26 | 12 | 6-8 weeks |
| P5316.FG.400350 | P5316.FR.400350 | 400 x 350 | 400 | 324 | 415 | 350 | 470 | 26 | 16 | 6-8 weeks |
| P5316.FG.450400 | P5316.FR.450400 | 450 x 400 | 450 | 364 | 450 | 400 | 525 | 30 | 16 | 6-8 weeks |
| P5316.FG.500450 | P5316.FR.500450 | 500 x 450 | 500 | 405 | 500 | 450 | 585 | 30 | 20 | 6-8 weeks |
| P5316.FG.560500 | P5316.FR.560500 | 560 x 500 | 560 | 453 | 530 | 500 | 650 | 33 | 20 | 6-8 weeks |
Stepped / PN16 / SDR11 / with Flange EN1092 / PN16
| Dimensions for (t3, le, D4 and C1) are available on request – see drawing below. | ||||||||||
| Full Face Stepped Flange Assembly Black PN16 SDR11 | Backing Flange EN1092 PN16 | |||||||||
| FBE Flange | 316SS Flange | dn x DN | dn | d3 | L | DN | k | D1 | n | Availability in Hong Kong |
| P5316.EG.280200 | P5316.ER.280200 | 280 x 200 | 280 | 204 | 350 | 200 | 295 | 22 | 12 | 6-8 weeks |
| P5316.EG.400300 | P5316.ER.400300 | 400 x 300 | 400 | 290 | 450 | 300 | 410 | 26 | 12 | 6-8 weeks |
| P5316.EG.450350 | P5316.ER.450350 | 450 x 350 | 450 | 334 | 450 | 350 | 470 | 26 | 16 | 6-8 weeks |
| P5316.EG.500400 | P5316.ER.500400 | 500 x 400 | 500 | 373 | 500 | 400 | 525 | 30 | 16 | 6-8 weeks |
| P5316.EG.560450 | P5316.ER.560450 | 560 x 450 | 560 | 421 | 550 | 450 | 585 | 30 | 20 | 6-8 weeks |
| P5316.EG.630500 | P5316.ER.630500 | 630 x 500 | 630 | 471 | 600 | 500 | 650 | 33 | 20 | 6-8 weeks |
| P5316.EG.710600 | P5316.ER.710600 | 710 x 600 | 710 | 564 | 670 | 600 | 770 | 36 | 20 | 6-8 weeks |
| P5316.EG.800600 | P5316.ER.800600 | 800 x 600 | 800 | 564 | 700 | 600 | 770 | 36 | 20 | 6-8 weeks |
| P5316.EG.800700 | P5316.ER.800700 | 800 x 700 | 800 | 624 | 750 | 700 | 840 | 36 | 24 | 6-8 weeks |
Straight / PN20 / SDR9 / with Flange EN1092 / PN16
| Dimensions for (t3, le, D4 and C1) are available on request – see drawing below. | ||||||||||
| Full Face Straight Flange Assembly Black PN20 SDR9 | Backing Flange EN1092 PN16 | |||||||||
| FBE Flange | 316SS Flange | dn x DN | dn | d3 | L | DN | k | D1 | n | Availability in Hong Kong |
| P5317.FG.250200 | P5317.FR.250200 | 250 x 200 | 250 | 192 | 325 | 200 | 295 | 22 | 12 | 6-8 weeks |
| P5317.FG.280250 | P5317.FR.280250 | 280 x 250 | 280 | 214 | 330 | 250 | 355 | 26 | 12 | 6-8 weeks |
| P5317.FG.315250 | P5317.FR.315250 | 315 x 250 | 315 | 241 | 360 | 250 | 355 | 26 | 12 | 6-8 weeks |
| P5317.FG.355300 | P5317.FR.355300 | 355 x 300 | 355 | 273 | 395 | 300 | 410 | 26 | 12 | 6-8 weeks |
| P5317.FG.400350 | P5317.FR.400350 | 400 x 350 | 400 | 307 | 415 | 350 | 470 | 26 | 16 | 6-8 weeks |
| P5317.FG.450400 | P5317.FR.450400 | 450 x 400 | 450 | 345 | 450 | 400 | 525 | 30 | 16 | 6-8 weeks |
| P5317.FG.500450 | P5317.FR.500450 | 500 x 450 | 500 | 385 | 500 | 450 | 585 | 30 | 20 | 6-8 weeks |
| P5317.FG.560500 | P5317.FR.560500 | 560 x 500 | 560 | 430 | 530 | 500 | 650 | 33 | 20 | 6-8 weeks |
Stepped / PN20 / SDR9 / with Flange EN1092 / PN16
| Dimensions for (t3, le, D4, d3 and C1) are available on request – see drawing below. |
||||||||||
| Full Face Stepped Flange Assembly Black PN20 SDR9 | Backing Flange EN1092 PN16 | |||||||||
| FBE Flange | 316SS Flange | dn x DN | dn | d3 | L | DN | k | D1 | n | Availability in Hong Kong |
| P5317.EG.280200 | P5317.ER.280200 | 280 x 200 | 280 | 194 | 350 | 200 | 295 | 22 | 12 | 6-8 weeks |
| P5317.EG.400300 | P5317.ER.400300 | 400 x 300 | 400 | 276 | 450 | 300 | 410 | 26 | 12 | 6-8 weeks |
| P5317.EG.450350 | P5317.ER.450350 | 450 x 350 | 450 | 317 | 450 | 350 | 470 | 26 | 16 | 6-8 weeks |
| P5317.EG.500400 | P5317.ER.500400 | 500 x 400 | 500 | 354 | 500 | 400 | 525 | 30 | 16 | 6-8 weeks |
| P5317.EG.560450 | P5317.ER.560450 | 560 x 450 | 560 | 400 | 550 | 450 | 585 | 30 | 20 | 6-8 weeks |
| P5317.EG.630500 | P5317.ER.630500 | 630 x 500 | 630 | 448 | 600 | 500 | 650 | 33 | 20 | 6-8 weeks |
| P5317.EG.710600 | P5317.ER.710600 | 710 x 600 | 710 | 536 | 670 | 600 | 770 | 36 | 20 | 6-8 weeks |
| P5317.EG.800600 | P5317.ER.800600 | 800 x 600 | 800 | 536 | 700 | 600 | 770 | 36 | 20 | 6-8 weeks |
| P5317.EG.800700 | P5317.ER.800700 | 800 x 700 | 800 | 593 | 750 | 700 | 840 | 36 | 24 | 6-8 weeks |
